Двухходовые паровые котлы серии SP

Серия SP - двухходовой паровой котел высокого давления, работающий на жидком и газообразном топливе

Основные технические преимущества

  • паропроизводительность 0,25-5,5 т/ч
  • рабочее давление 6-16 бар
  • может использоваться с напорной струйной горелкой
  • КПД котла до 91%, КПД с экономайзером до 95,5%
  • простота установки на раму котла
  • стандартное оборудование: выпуск пара, забор питательной воды, вентиляционное отверстие, выпуск, клапаны поверхностной продувки и предохранительные клапаны, группа насосов питательной воды, принадлежности для эксплуатации и безопасности, электрическая панель управления
  • дополнительное использование водяного, воздушного экономайзера, пароперегревателя

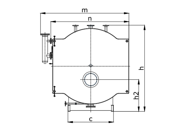
Модельный ряд и технические характеристики
SP

ERENSAN SP HDR 25 - HDR 550

Более подробную информацию и консультацию вы можете получить у наших специалистов