Трехходовые паровые котлы серии ESB

Серия ESB - трехходовой паровой котел высокого давления, работающий на жидком и газообразном топливе

Основные технические преимущества

  • производительность по пару 1-35 т/ч
  • рабочее давление 6-16 бар
  • сжигание жидкого и газообразного топлива
  • подходит для пиковой потребности в паре с оптимальным соотношением объема воды и пара
  • низкая нагрузка камеры сгорания (< 1,3 МВт/м)
  • полное сгорание и низкий уровень выбросов NOх благодаря конструкции
  • конструкция с мокрой задней стенкой обеспечивает максимальную отдачу от поверхности теплопередачи
  • благодаря изоляционному материалу высокой плотности, используемому для покрытия корпуса котла, снижаются потери на излучение и в режиме ожидания
  • КПД котла до 91% (КПД экономайзера до 95,5%)
  • простота установки на раму котла
  • дополнительное использование водяного, воздушного экономайзера, пароперегревателя

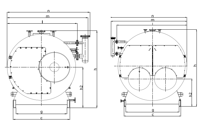
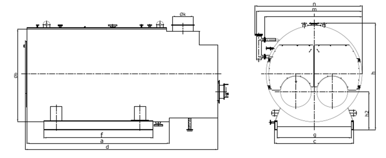
Модельный ряд и технические характеристики
ESB

ERENSAN ESB 100 - ESB 300

ERENSAN ESB 400 - ESB 3000

ERENSAN ESB T 1800 - ESB T 3000

Более подробную информацию и консультацию вы можете получить у наших специалистов